로그인회원가입
  • 회사소개
    • 인사말
    • 회사연혁
    • 인증현황
    • 찾아오시는길
  • 사업분야
    • 빗물사업분야
    • 화공사업분야
    • 수처리사업분야
  • 사업실적
    • 시공실적 리스트
  • 자료실
    • 시공사례
    • 자료실
  • 견적문의
    • 견적문의
    • 대리점신청
  • 고객센터
    • 공지사항
    • 자주묻는질문
    • 1:1빠른상담
로그인ㅣ회원가입
  • 회사소개

    • 인사말
    • 회사연혁
    • 인증현황
    • 찾아오시는길
  • 사업분야

    • 빗물사업분야
    • 화공사업분야
    • 수처리사업분야
  • 사업실적

    • 시공실적 리스트
  • 자료실

    • 시공사례
    • 자료실
  • 견적문의

    • 견적문의
    • 대리점신청
  • 고객센터

    • 공지사항
    • 자주묻는질문
    • 1:1빠른상담
CS CENTER

043-542-1114

평일 AM09:00 ~ PM18:00
주말 및 공휴일은 휴무입니다.

가장 안전하게, 가장 완벽하게,
모든것을 담아냅니다.

가장 안전하게, 가장 완벽하게,
모든것을 담아냅니다.

  • 개인하수처리시설
  • 중수처리시설
  • 폐수처리시설

개인하수처리시설

근거법령 : 하수도법

제34조(개인하수처리시설의 설치)
오수를 배출하는 건물·시설 등(이하 "건물등"이라 한다)을 설치하는 자는 단독 또는 공동으로 개인하수처리시설을 설치하여야 한다.
제1항의 규정에 따라 개인하수처리시설을 설치하고자 하는 자는 대통령령이 정하는 기준에 적합하게 설치하여야 한다.

제76조(벌칙)
다음 각 호의 어느 하나에 해당하는 자는 2년 이하의 징역 또는 2천만원 이하의 벌금에 처한다.

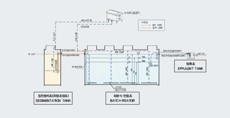
시설의 종류

단일회분식 활성슬러지공법(SBR공법)

SBR공법의 장점

  • 정화처리시 악취발생이 적음
  • 운전관리가 쉬우며 초기 미생물 배양이 양호함
  • 동력이 적게 소요됨
  • 충격부하에 강함
  • 슬러지 반송이 필요없음
  • 처리수질이 안정적임

효과

  • 고강도 PPH소재로 토압 차량하중에 의한 변형 파손의 위험이 없다.
  • 별도의 보강구조물이 불필요 하여 공사비가 절감된다.
  • 콘크리트 타설시와 비교할 때 시공이 매우 간편하다 (당일시공 가능)
  • 정화처리시 악취발생이 적음
  • 운전관리가 쉬우며 초기미생물배양이 양호함
  • 슬러지반송이 필요없음
  • 처리수질이 안정적이며 충격부하에 강함

중수처리시설

근거법령 : 물의 재이용 촉진 및 지원에 관한 법률 제9조(중수도의 설치・관리)

아래의 어느 하나에 해당하는 시설물을 신축・증축・개축 또는 재축하거나 개발사업을 시행하려는 자는 환경부령으로 정하는 바에 따라 단독 또는 공동으로 물 사용량의 10퍼센트 이상을 재이용할 수 있도록 중수도를 설치 운영하여야 한다.
다만, 물 사용량의 10퍼센트 이상을 하 폐수처리수 재처리수로 공급받거나 빗물을 이용하는 자의 경우에는 그러하지 아니하다.
“중수도”란 개별 시설물이나 개발사업 등으로 조성되는 지역에서 발생하는 오수를 공공하수도로 배출하지 아니하고 재이용할 수 있도록 개별적 또는 지역적으로 처리하는 시설을 말한다.

카달로그 바로가기

시설의 종류

중수처리시설의 구성

설치대상

설치사례 시설물

좌우로 스크롤 해주세요

설치대상 시설물 면적
숙박업 또는 목욕장업에 사용되는 건물 건축연면적6만m2이상
공장 또는 발전시설 1일 폐수배출량1500m2이상
◦관광단지 개발사업 ◦도시개발사업
◦산업단지 개발사업 ◦택지개발사업
면적기준 없음
- 대규모점포
- 화물의 운송,보관,하역 및 자동화,정보화를 위한 시설
- 여객자동차터미널,철도시설,공항시설,항만시설 등의 운수시설
- 공공 및 일반 업무시설
- 교정시설,갱생보호시설,소년원 및 소년분류심사원 등의 시설
- 방송국 및 전신전화국
건축연면적6만m2이상
그 밖에 물의 재이용을 위하여 특히 필요하다고 인정하여 지방자치단체의 조례로 정하는 시설물

시설기준

  • 사용된 물을 생활용수,공업용수 등의 용도에 맞는 수질로 처리할 수 있는 처리시설
  • 처리한 물을 보낼 수 있는 펌프,송수관 등의 송수시설
  • 처리한 물을 배수할 수 있는 배수관 등의 배수시설
  • 수량부족에 대비한 수돗물 등의 보급이 가능하고,처리한 물과 수돗물이 섞이지 않는 구조의 저류

과태료 부과 기준

설치사례 시설물

좌우로 스크롤 해주세요

위반행위 1차 2차 3차
법 제9조 제1항을 위반하여 중수도를 설치하지 않는 경우 250 350 500
법 제9조 제1항에 따른 중수도를 운영하지 않은 경우 150 200 300
법 제9조 제2항에 따른 시설 관리기준 등을 위반한 경우 150 200 300
법 제9조 제6항에 따른 중수도의 안전성 및 수질 등의 검사 결과를 통보하기 않거나 거짓으로 통보한 경우 500 200 300
법 제9제7항을 위반하여 중수도 설치 운영에 관한 이행명령을 따르지 않은 경우 500 700 1,000
회사소개 인증현황 찾아오시는길 사업실적 이용약관 개인정보처리방침

점보탱크코리아 | 대표 : 김정옥 | 사업자등록번호 : 206-86-91501 | 주소 : 충북 청주시 흥덕구 강내면 태성1길 81
TEL : 043-542-1114 | 개인정보 책임자 : 신동인(jumbotank7@naver.com)
copyright 2024 by 점보탱크코리아 ALL RIGHTS RESERVED.

  • 043-542-1114
  • 사업분야
  • 사업실적
  • 견적문의

  • TOP
닫기 버튼